欢迎浏览,山东双一科技股份有限公司!
中文
丨
English
首 页
关于双一科技
公司简介
企业文化
大事记
公司荣誉
公司资质
组织机构
企业风采
产品中心
非金属模具
新能源风电复合部件
汽车轻量化部件
先进复合材料制品
游艇
3D打印
服务与支持
技术服务
服务承诺
生产保障
技术力量
科学管理
生产设备
检测设备
新闻中心
公司新闻
行业动态
投资者关系
公司治理
实时行情
信息披露
证券资讯
建议监督
人力资源
人才策略
人才招聘
社会责任
公益活动
公司团建
社会奉献
联系我们
联系方式
公司地图
在线留言
新闻中心
您现在所在的位置:
首页
>
新闻中心
>
公司新闻
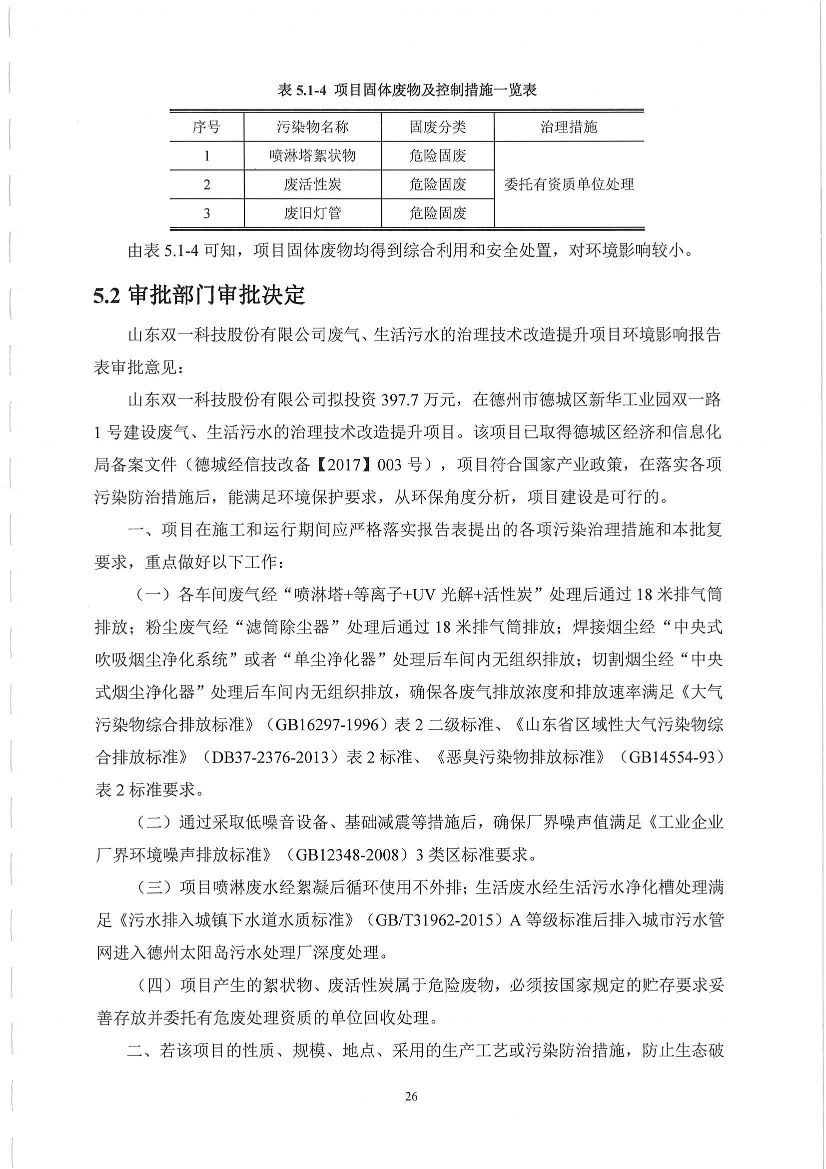
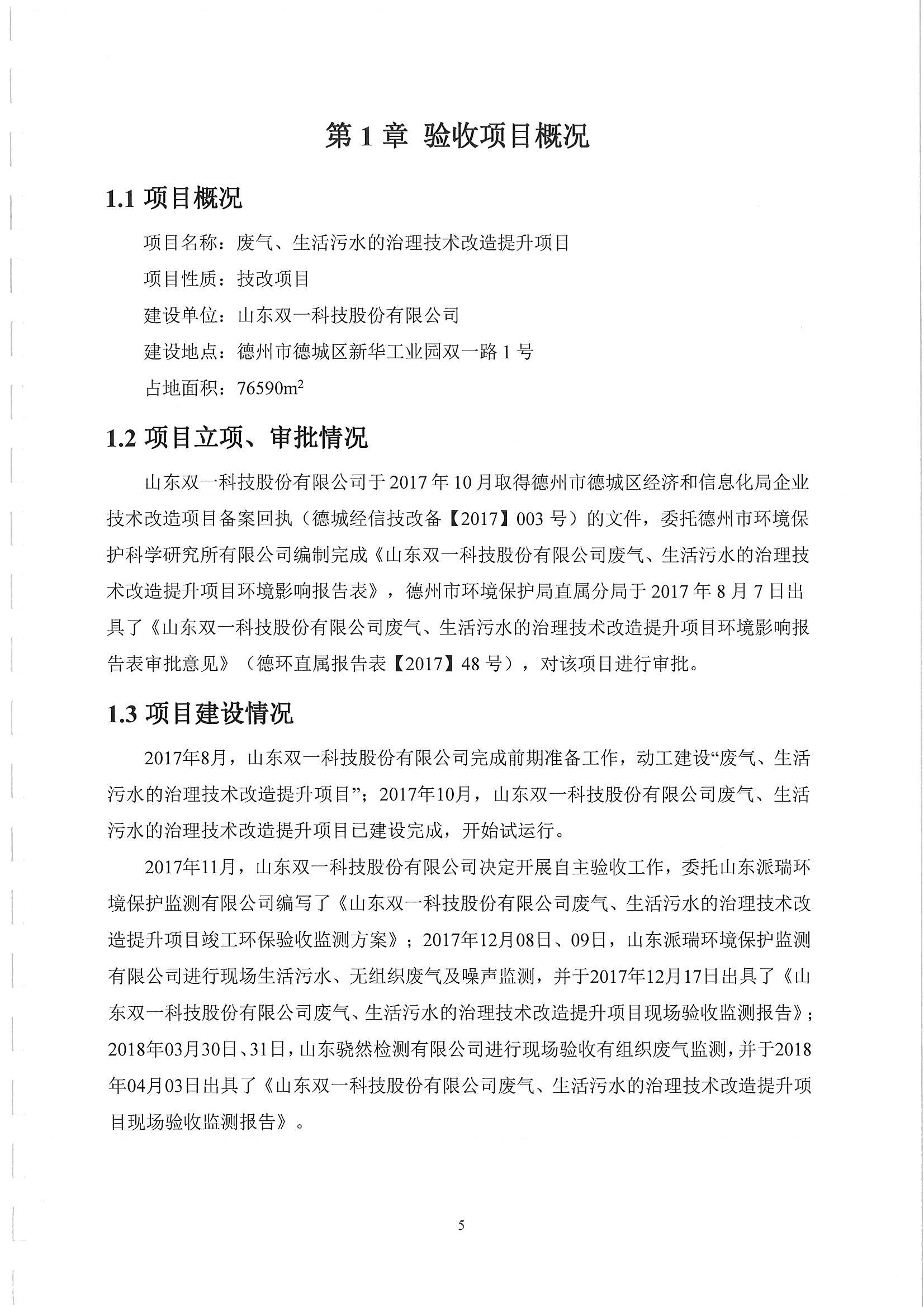
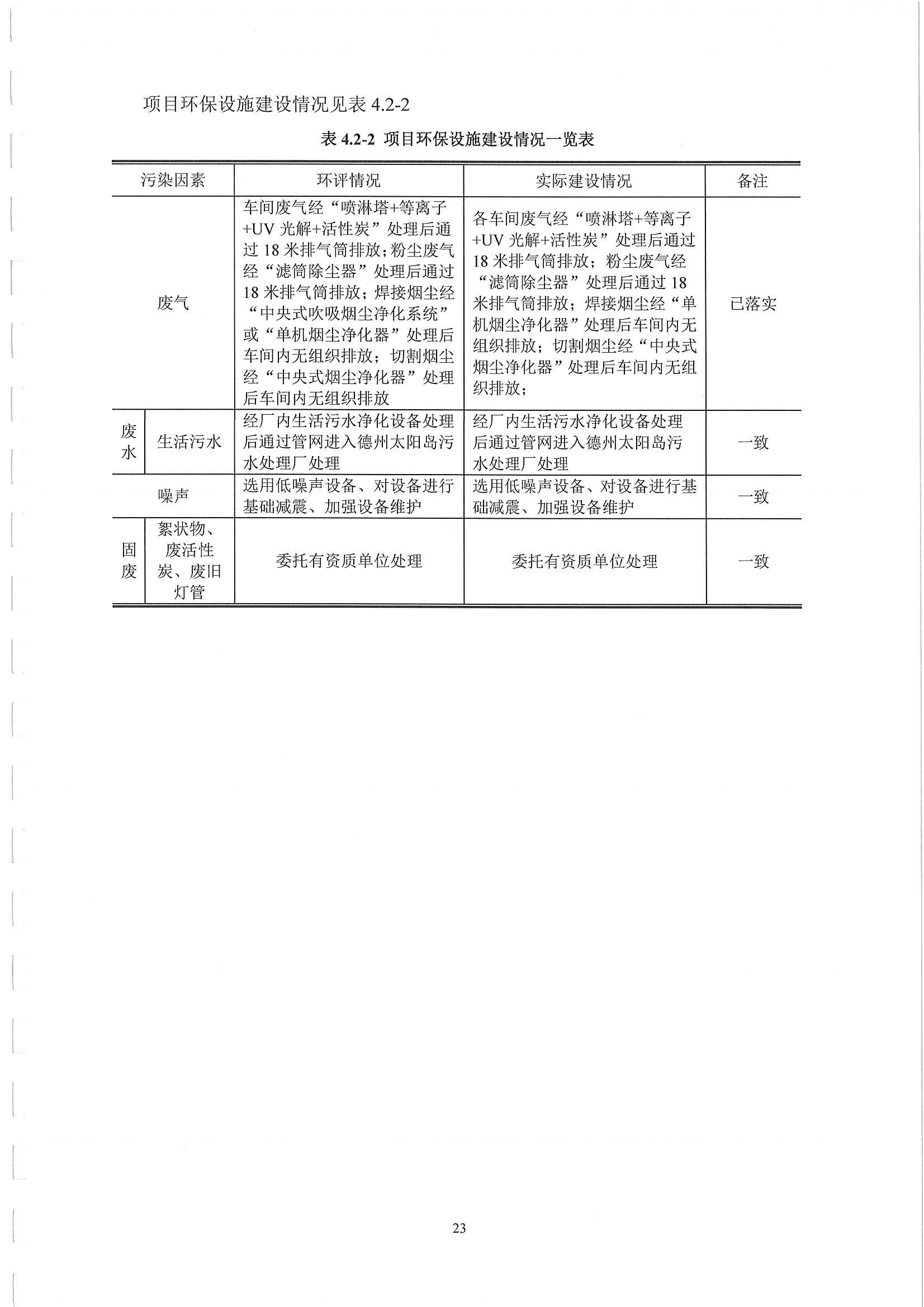
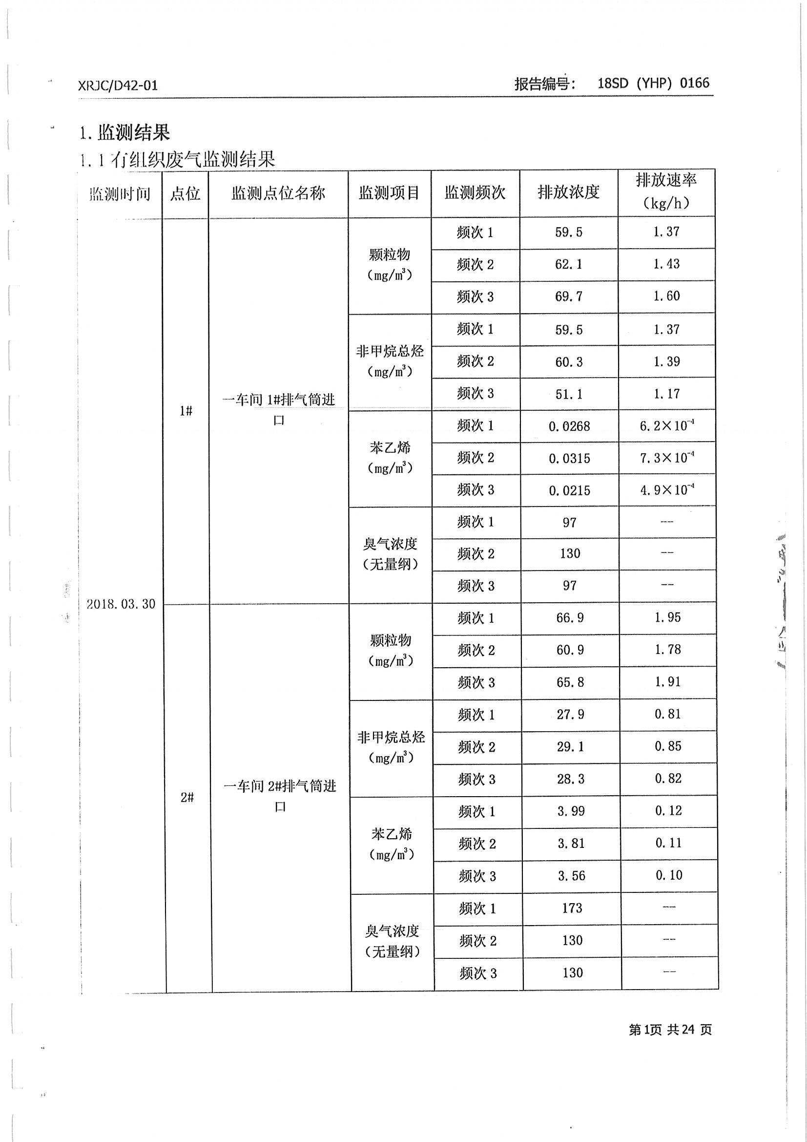
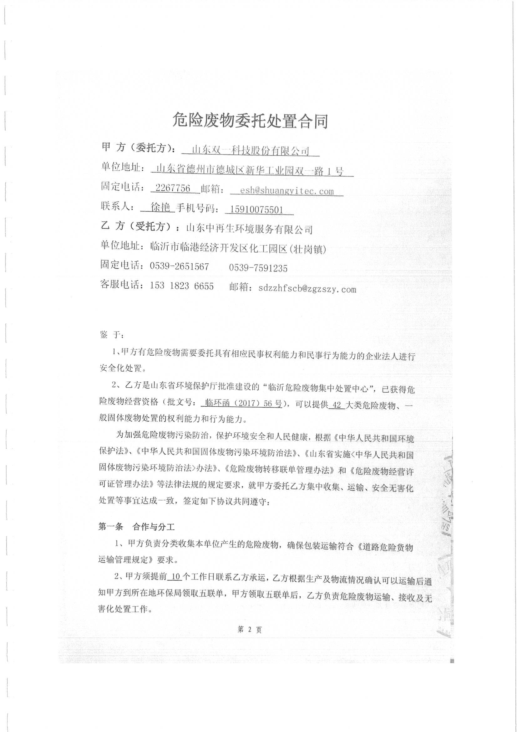
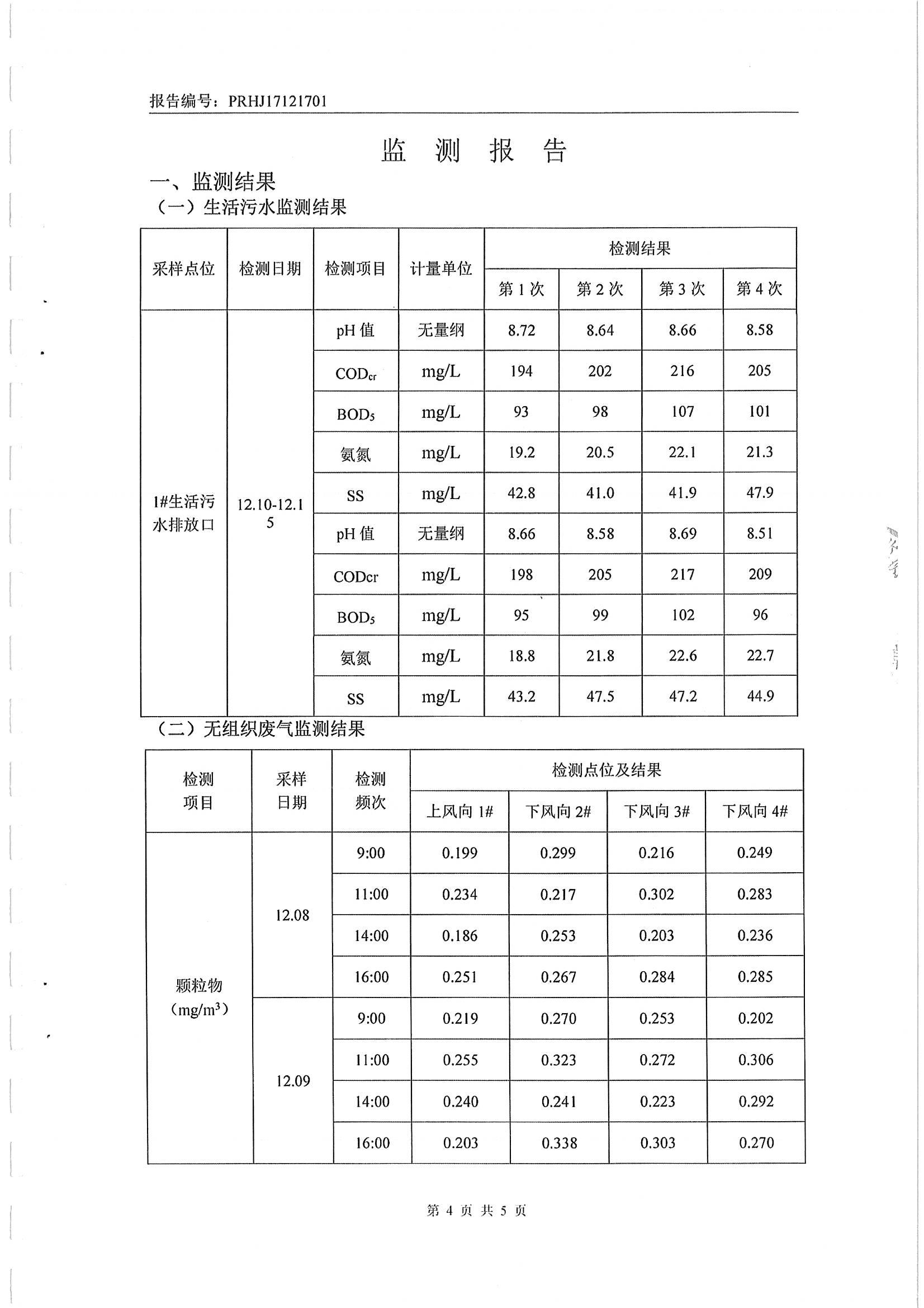
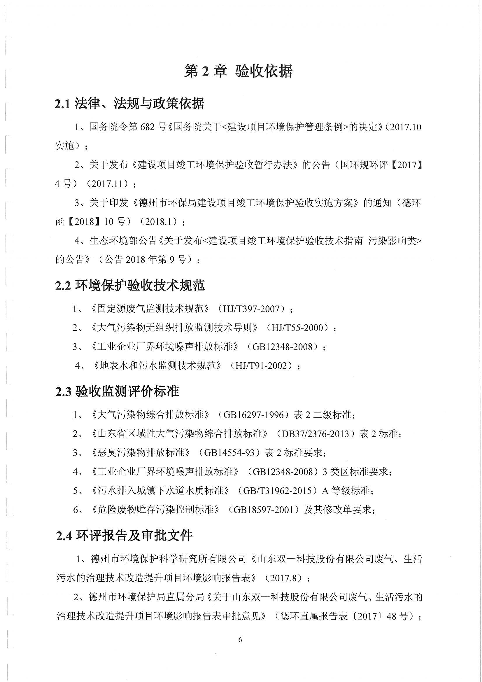
> 山东双一科技股份有限公司废气、生活污水的治理技术改造提升项目竣工环境保护验收监测报告
公司新闻
行业动态
公司新闻
山东双一科技股份有限公司废气、生活污水的治理技术改造提升项目竣工环境保护验收监测报告
关键词:山东双一科技股份有限公司废气、生活污水的治理技术改造提升项目竣工环境保护验收监测报告 来源: 发布时间:2018-08-11
上一篇:
山东双一科技股份有限公司 再次参与国家标准起草并顺利颁布
下一篇:
2017年度企业质量信用报告